Thông số kỹ thuật bồn cầu điện tử TOTO CS761DW5
-
Bộ sưu tập: NEW WASHLET của thương hiệu TOTO
-
Tên sản phẩm: Bàn cầu TOTO CS761DW5 nắp điện tử Washlet TCF4732A (220V)
-
Mã sản phẩm cũ: CST761DRV
-
Hệ thống xả: ECOMAX hiệu quả, tiết kiệm nước
-
Lượng nước xả: 4.8/3L
-
Thiết kế: Thân chữ D
-
Tâm xả: 305mm
-
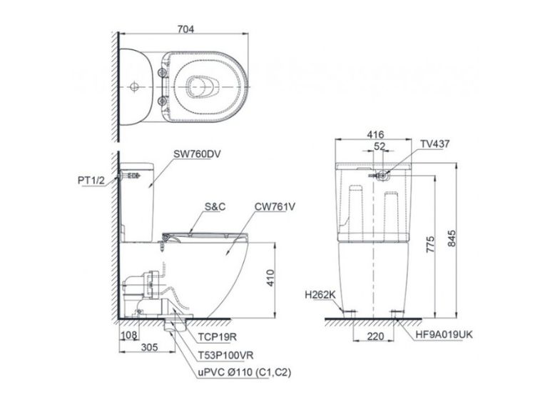
Kích thước: 845 x 410 x 704 x 416 (mm)
-
Áp lực nước: 0.05MPa~0.75MPa
-
Màu sắc: Màu trắng
-
Bao gồm van khóa và bích nối sàn
Tính năng bàn cầu nắp rửa điện tử TOTO CS761W5
-
Có chức năng sưởi ấm nắp ngồi
-
Tự động phun Ewater sương làm sạch lòng bồn cầu và vòi rửa bằng cách ngăn vi khuẩn đảm bảo vệ sinh
-
02 chế độ rửa trước, rửa sau massage linh hoạt, điều chỉnh vị trí vòi rửa
-
Điều chỉnh nhiệt độ sấy, nước và bệ ngồi.
-
Tính năng khử mùi được kích hoạt tự động
-
Có bảng điều khiển từ xa (không dây) với 2 chế độ người dùng
Xí bệt TOTO CS 761DW5 bao gồm
-
Thân cầu: C761 - Xuất xứ : Việt Nam
-
Két nước: S760D - Xuất xứ : Việt Nam
-
Nắp điện tử: TCF4732A - Xuất xứ: Malaysia
Bản vẽ nắp bệt điện tử TOTO CS761 nắp TCF4732 A
